??文物(歷史)建筑結構的主要節點、連接的工作狀態直接關系到結構受力的傳遞和結構整體牢固性,是結構安全的主要控制項目,修繕文物(歷史)建筑必須查明主要節點、連接的工作狀態,做出相應的修復或加固措施才可以保證結構的安全。特別是磚木結構中木構件之間的連接或連接件、木梁在墻體上的搭接等應該確認其有效性。如左右倆側的梁搭接在墻體的同一位置,如果墻體很薄或墻體強度不足,都可能存在搭接長度不夠或局部受壓不足的安全隱患。木構件相互的搭接或在挑檐外的搭接等都可能不能滿足傳力的要求,成為結構的薄弱部位。

? 《古建筑木結構維護與加固技術標準》GB/T 50165-2020、《古建筑磚石結構維修與加固技術規范》GB/T 39056-2020、《近現代歷史建筑結構安全性評估導則》WW/T 0048—2014《文物建筑抗震鑒定技術規范》DB11/T 1689-2019、《建筑抗震設計規范》GB 50011-2010?、《木結構設計標準》GB50005-2017、《上海優秀歷史建筑修繕技術規程》DGJ08-108-2004、《廣州市歷史建筑結構安全與加固指引》2020?年?1?月等對結構主要節點、連接都有明確的要求。
? (1)《古建筑木結構維護與加固技術標準》GB/T 50165-2020
? 在承重木結構的勘查要求查明:結構、構件及其連接的尺寸,主要節點、連接的工作狀態。對主要連接部位工作狀態的勘查包括:梁、枋拔榫,榫頭開裂、折斷或卯口劈裂;榫頭或卯口處的壓縮變形;鐵件銹蝕、變形或殘缺。結構整體牢固性等級的評定包括構架間的連系構造、梁柱節點的連接、榫卯完好程度。
? (2)《古建筑磚石結構維修與加固技術規范》GB/T 39056-2020
? 在構件構造要求和主體結構整體性評定中都提出連接及砌筑方式是否正確,構造是否符合要求,有無缺陷,有無工作異常。以及結構間整體性連接設計是否合理,連接方式是否正確,連接是否可靠等評定。

? ??(3)《近現代歷史建筑結構安全性評估導則》WW/T 0048—2014
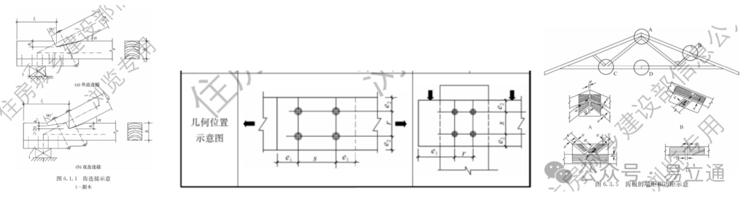
? ?對砌體結構構件的構造不滿足表15規定的構造要求時,就是不滿足一級評估。
? 對木結構構件的構造,當砌體結構構件的構造,其兩個檢查項目不滿足表18規定的構造要求時,不滿足一級評估。
? 而且《近現代歷史建筑結構安全性評估導則》在建筑抗震性能評估的基本要求中強調按當地抗震設防烈度要求。近現代歷史建筑按其保護級別,其抗震性能評估應符合下列要求:
? a)抗震驗算宜按當地抗震設防烈度的要求采用,構造可按當地抗震設防烈度的要求適當放松;
? b)近現代歷史建筑重點保護部位的局部結構,其抗震構造應按當地抗震設防烈度的要求采用。
??(4)《文物建筑抗震鑒定技術規范》DB11/T 1689—2019
??在木結構建筑鑒定的結構整體性連接構造措施勘查中,提出勘查應包括下列內容:
? ? ??a)木柱與柱礎的連接狀況;
? b)木柱與屋架的連接狀況;
? c)木柱與斗栱的連接狀況;
? d)斗栱與梁架和屋架的連接狀況;
? e)屋架構件之間的連接狀況;
? f)斗栱各構件的連接狀況。
? 評定木結構建筑的構造,應符合下列要求:
? a)脊檁處,兩坡屋頂椽條有防止下滑的措施;檁條有防止外滾和檁端脫榫的措施;
? b)大梁以上各層梁與瓜柱、駝峰等應有可靠的榫接或隱蔽式錨固;
? c)角梁應有充分的抗傾覆連接件連接;
? d)屋頂飾件及檐口瓦應有可靠的系固措施;
? e)梁下各柱應有支撐或有效的替代措施以確保縱、橫向聯系的可靠;
? f)縱向梁枋及其聯系構件應無殘缺或連接松動;
? g)構架間的縱橫向應連接牢固;
? h)梁柱間的連接(包括柱、枋間、柱、檁間的連接),榫頭拔出卯口的長度不宜超過榫頭長度的?1/4,或有可靠鐵件連接。
? 承重木梁(枋)與柱榫卯節點連接處的現狀評定,應符合下列要求:
? a)榫頭和卯口不應有木材腐朽、蟲蛀和老化變質(兩者合計)所導致的損傷;
? b)榫頭不應有斷裂損傷;
? c)卯口不應有劈裂損傷;
? d)榫頭和卯口應有可靠連接;
? e)榫卯節點處如有連接鐵件,應確保其連接可靠,并且對節點的任何加固措施不應造成建筑整體 剛度變化不均勻。
? 在磚木結構建筑的結構整體性連接構造措施勘查中,要求包括下列內容:
? a)木屋架、木梁、木檁、木龍骨在墻上支承長度,對接檁條在屋架上的支承長度,門窗洞口過梁 的支承長度;
? b)縱橫墻咬槎砌筑狀況;
? c)后砌非承重砌體隔墻與梁或屋架下弦設置拉結措施狀況;
? d)木樓(屋)蓋構件設有圓釘、扒釘或鉛絲等相互連接措施狀況;
? e)層數為二層以上建筑的懸挑陽臺、外走廊、木樓梯的柱和梁等承重構件與建筑結構的連接錨固情況。
? 磚木結構建筑的整體性連接構造措施,應按下列要求進行檢查判定:
? a)木樓蓋、木屋架和木大梁在墻上的最小支承長度不應小于?240mm;
? b)縱橫墻應咬槎砌筑;
? c)木屋蓋建筑應在建筑中部屋檐高度處設置縱向水平系桿,系桿應采用墻攬與各道橫墻連接或與 屋架下弦桿釘牢,木屋蓋構件應設有圓釘、扒釘或鉛絲等相互連接措施;
? d)多層建筑的懸挑陽臺、外走廊、木樓梯的柱和梁等承重構件與建筑結構的連接應有可靠的錨固。
?? ?(5)《建筑抗震設計規范》GB 50011-2010
? ? 對木樓、屋蓋房屋應在下列部位采取拉結措施:
? 1、兩端開間屋架和中間隔開間屋架應設置豎向剪刀撐;
? 2、在屋檐高度處應設置縱向通長水平系桿,系桿應采用墻攬與各道橫墻連接或與木梁、屋架下弦連接牢固;縱向水平系桿端部宜采用木夾板對接,墻攬可采用方木、角鐵等材料;
? 3、山墻、山尖墻應采用墻攬與木屋架、木構架或檁條拉結內隔墻墻頂應與梁或屋架下弦拉結。木樓、屋蓋構件的支承長度應不小于表11.1.3的規定。
? 1、柱頂應有暗榫插入屋架下弦,并用U形鐵件連接;8、9度時,柱腳應采用鐵件或其他措施與基礎錨固。柱礎埋入地面以下的深度不應小于200mm。
? 2、斜撐和屋蓋支撐結構,均應釆用螺栓與主體枃件相連接;除穿斗木構件外,其他木構件宜采用螺栓連接。
? 3、椽與檁的搭接處應滿釘,以增強屋蓋的整體性。木構架中,宜在柱檐口以上沿房屋縱向設置豎向剪刀撐等措施,以增強縱向穩定性。
?(6)《木結構設計標準》GB50005-2017
? 在連接設計給出了齒連接、銷連接和齒板連接三種方式,齒連接可采用單齒或雙齒的形式,銷軸類緊固件的端距、邊距、間距和行距最小盡應符合規定。當采用螺栓、銷或六角頭木螺鈳作為緊固件時,其直徑不應小于6mm。齒板連接適用于輕型木結構建筑中規格材桁架的節點連接及受拉桿件的接長。齒板不應用于傳遞壓力。
(7)《上海優秀歷史建筑修繕技術規程》DGJ08-108-2004
在木構件及木結構的修繕要求應加強結構的連接與構造措施,并符合下列要求:
1、應加強對木結構主要節點的檢查,如屋架的端節點、桁條及椽子的擱支點,柱梁之間的榫接點,以及附墻木柱的內側面、柱腳等。
2、應加強木構件間、構件與圍護墻間的連接和支撐,提高結構整體性。
3、木結構的屋架、梁、柱、桁條等出現局部的、個別部位的腐朽、蟲蛀、開裂時,應提請設計單位進行承載力驗算,并應及時采取加固措施。
對木結構的結構體系、連接構造和設計方法的多樣性應予保護,并應符合下列要求:
1、對外露的結構及構件的損壞,應采用同類材料,用局部修接的方法進行加固,不擅自改變原有設計樣式,不改變相鄰構件受力關系。
2、對隱蔽的結構,可根據其損壞程度和使用安全要求,必要時可變更其結構形式,采用新材料進行修繕。
(8)《廣州市歷史建筑結構安全與加固指引》2020年1月
①夾板鋼箍加固法
在受損部位附近完好部位設木夾板,用四根鋼拉桿與設在端部抵承角鋼聯結,必?要時可用鐵箍箍緊受剪面;在其完好部位設鋼夾板,用四根鋼拉桿與設在端部抵?承槽鋼聯結,另一端與鋼夾板焊接牢固。最后通過裝飾處理進行適當修飾遮擋。
②增加支點加固法
梁中部彎曲撓度過大時,可設下撐式鋼拉桿。?
③增大截面加固法
原柱無法支撐荷載時,墩接更大截面木柱或鋼筋混凝土柱。
④局部替換法
柱礎部分腐朽損壞時,可在截取后按照原規格換新。
⑤整體拆換法
病害情況極其嚴重時,整根木構件全部重新替換。文物(歷史)建筑的修繕需要保證結構的安全,除了滿足結構構件的安全要求外,結構的主要節點、連接的工作狀態是保證受力傳遞和結構整體牢固性的核心要素,需要彌補缺陷或損傷引起的安全隱患,給予主要節點、連接足夠的重視。
文物(歷史)建筑的修繕需要保證結構的安全,除了滿足結構構件的安全要求外,結構的主要節點、連接的工作狀態是保證受力傳遞和結構整體牢固性的核心要素,需要彌補缺陷或損傷引起的安全隱患,給予主要節點、連接足夠的重視。
? ? ?本文來源:易立通
? ? 免責聲明:本網站(即公司官網)轉發的公眾號文章內容,版權歸原作者及原出處所有。若涉及版權問題,請及時聯系我們進行刪除或修改,本網站不承擔任何因版權問題引發的法律責任。
上一條:既有建筑加固材料很關鍵